ZZYVP氮封裝置主要用于儲罐頂部氮氣壓力恒定控制,以保護罐內物料不被氮化及儲罐安全氮封裝置由ZZDQ快速泄放閥及ZZV微壓調節閥兩大部分組成。快速泄放閥由壓力控制器及ZMQ-16K型單座切斷閥組成。儲罐內壓力升高至設定壓力時,快速泄放閥迅速開啟,將罐內多余壓力泄放。
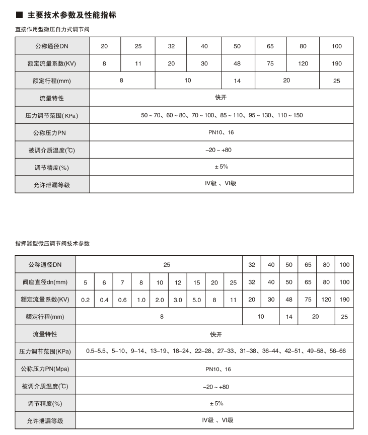
ZZYVP氮封裝置主要用于儲罐頂部氮氣壓力恒定控制,以保護罐內物料不被氮化及儲罐安全氮封裝置由ZZDQ快速泄放閥及ZZV微壓調節閥兩大部分組成。快速泄放閥由壓力控制器及ZMQ-16K型單座切斷閥組成。儲罐內壓力升高至設定壓力時,快速泄放閥迅速開啟,將罐內多余壓力泄放。微壓調節閥在儲罐內壓力降低時,開啟閥門,向罐內充注氮氣。因微壓調節閥必須使用在壓力為0.1Mpa壓力以下,現場壓力較高,必須安裝ZZYP型壓力調節閥將壓力調節閥將壓力降低至0.1Mpa以下才可使用。公稱壓力0.1Mpa,壓力可按分段設定,從0.5Kpa 至66 Kpa以下,介質溫度溫度≤80℃。

特點
1、氮封裝置的供(泄)氮壓力設定方便,且可在連續生產的條件下進行;
2、氮氣壓力設定范圍廣,低至0.5Kpa(50mm.w.c),高至Kpa,比值達132倍,壓力檢測膜片有效面積大,設定彈簧剛度小,動作極靈敏。
3、調整:
(1)供氮壓力調整:在ZZV型微壓調節閥壓力調節范圍內選定一設定值如1Kpa(100mm.w.c),通過調節調整螺絲2以改變彈簧3的預壓縮(拉伸)量來達到;
(2)泄氮壓力調整:在ZZDQ快速泄放閥在的壓力控制器部分,通過調整座3,改變彈簧4預壓縮量達到。一般為避免氮封裝置啟閉頻繁,泄氮設定值應遠離供氮壓力值,如2Kpa(200mm.w.c);
(3)呼吸閥高定值調整:在上述兩設定值調整好后,為避免呼吸閥啟閉頻繁,呼吸閥設定值應大于泄壓設定值。

零件材料
零 件 名稱 | 材料 |
閥體 | ZG230-450 ZG1Cr18 Ni9Ti |
閥桿、閥芯、閥座 | 1Cr18 Ni9Ti |
膜片 | 丁腈橡膠夾增強絳綸織物 |
彈簧 | 60Si2Mn |
波紋管 | 1Cr18 Ni9Ti |
主要技術參數之外形尺寸介紹
公稱通徑DN | 20 | 25 | 32 | 40 | 50 | 65 | 80 | 100 |
A | 192 | 232 | 308 | |||||
H | 629 | 631 | 652 | 666 | 689 | 797 | 837 | 1050 |
L | 150 | 160 | 180 | 200 | 230 | 290 | 310 | 350 |
G(Kg) | 18 | 19 | 21 | 23 | 25 | 37 | 50 | 59 |
法蘭規格 單位:mm
公稱通徑DN | 20 | 25 | 32 | 40 | 50 | 65 | 80 | 100 |
D | 105 | 115 | 140 | 150 | 165 | 185 | 200 | 220 |
D1 | 75 | 85 | 100 | 110 | 125 | 145 | 160 | 180 |
B | 16 | 18 | 20 | 22 | ||||
n-ф | 4-14 | 4-18 | 8-18 | |||||
f1×D2 | 2×56 | 3×65 | 3×76 | 3×84 | 3×99 | 3×118 | 3×132 | 3×156 |



I 1訂貨須知
訂貨時請填寫《規格書》或注明以下內容:
一、若訂貨前還未選定型號,請向我們提供您的使用參數
1.公稱通徑、額定流量系數Kv
2、流體性質(包括公稱壓力、溫度、粘度或酸堿性)
3、閥作用形式(閥前型或閥后型)
4、閥前、閥后壓力
5、閥體、閥芯材料.
6、是否帶附件,說明附件型號,以便我們的為您正確選型。
二、特殊要求
1.特殊檢驗
2、完全去油、去水處理;
3、禁銅處理;
4、特殊接口、配管;
5、指定涂層顏色
6、特殊介質(氧氣、氯氣、氫氣);
7.使用不銹鋼連接件;
三、若已經由設計單位選定我公司的產品型號,請按型號直接向我公司銷售部訂購
四、當使用的場合非常重要或管路比較復雜時,請您盡量提供設計圖紙和詳細參數,由我們的 廠家為您審核把關。








?公司郵箱登入
?
浙公網安備33032402002441號