ZDLM電動精小型套筒調節閥接受調節儀表來的直流電流信號,改變被調介質流量,使被控工藝參數保持在給定值。廣泛應用于電力、冶金、化工、石油輕紡、制藥、造紙等工業部門的生產自動化控制。閥門產品采用薄膜蒸汽自動化驅動,精小型套筒電動單座調節閥適用于壓差較大且泄漏量較大的場合。
ZDLM電動精小型套筒調節閥接受調節儀表來的直流電流信號,改變被調介質流量,使被控工藝參數保持在給定值。廣泛應用于電力、冶金、化工、石油輕紡、制藥、造紙等工業部門的生產自動化控制。本系列產品公稱通徑由20至300mm,公稱壓力有1.6、4.0、6.4MPa,接受信號為0~10mA.DC或4~20mA.DC,使用溫度范圍由-40℃~450℃。其中電動單座調節閥適用于壓差較小,介質粘度較大或稍有顆粒雜質場合;電動套筒調節閥適用于壓差較大且泄漏量較大的場合。
精小型電動調節閥主要技術參數如下表:
公稱通徑DN (mm) | 20 | 25 | 32 | 40 | 50 | 65 | 80 | 100 | 125 | 150 | 200 | 250 | 300 | ||||
10 | 12 | 15 | 20 | ||||||||||||||
額定流量 系數Kv | 直線 | 1.8 | 2.8 | 4.4 | 6.9 | 11 | 17.6 | 27.5 | 44 | 69 | 110 | 176 | 275 | 440 | 690 | 1100 | 1760 |
等百分比 | 1.6 | 2.5 | 4 | 6.3 | 10 | 16 | 25 | 40 | 63 | 100 | 160 | 250 | 400 | 630 | 1000 | 1600 | |
額定行程L(mm | 10 | 16 | 25 | 40 | 60 | 100 | |||||||||||
公稱壓力PN(MPa) | 1.6、4.0、6.4 | ||||||||||||||||
固有流量特性 | 直線、等百分比 | ||||||||||||||||
固有可調比R | 50:1 | ||||||||||||||||
允許 泄漏量 | 單座 | 硬密封:Ⅳ級、軟密封:Ⅵ級 | |||||||||||||||
套筒 | 密封:Ⅱ級、軟密封:Ⅵ級 | ||||||||||||||||
工作溫度t(℃) | -20~200、-40~250、-40~450、-60~450 | ||||||||||||||||
信號范圍(mA.DC) | 0~10、4~20 | ||||||||||||||||
電源電壓 | 220V、50Hz | ||||||||||||||||
作用方式 | 故障時:全關、全開、自鎖位 | ||||||||||||||||
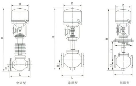
精小型電動調節閥相關結構圖如下:









?公司郵箱登入
?
浙公網安備33032402002441號